Instruktionsbog til Nissan Juke fra | 2024 Nissan
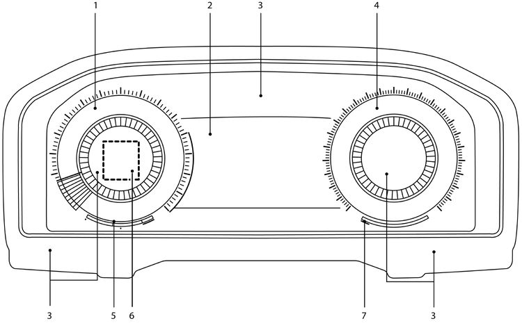
4.1.2. Modeller med fuldskærmsvisning

- Omdrejningstæller
- Informationsdisplay
- Advarsels- og kontrollamper
- Speedometer
- Kølervæsketermometer
- Personligt display
- Brændstofmåler

Til rengøring skal du bruge en blød klud, fugtet med vand. Brug aldrig en grov klud, sprit, rensebenzin, fortynder, opløsningsmidler eller papirservietter med et kemisk rensemiddel. Det ridser eller misfarver glasset.
Sprøjt ikke væske som f.eks. vand på målerglasset. Det kan medføre, at systemet ikke virker rigtigt.
Nissans instruktionsbøger